Table of contents

The Uses of Led Screens for Events and Businesses
For engagement
To display information
Visibility
Illumination
Factors events and businesses need to consider before renting LEDs?
Budget:
Aspect ratio
Here are the common aspect ratios:
Pixel pitch
Purpose
Where is the Venue?
The advantages of our rental LED screen
Conclusion

Application of LCGK Frequency Converter on Spinning Frame

Views: 1358 Author: Site Editor Publish Time: Origin: Site

 

Introduction:
Spinning is the last step in the spinning process, and in the production of spinning, yarn breakage is the key factor affecting product quality, output, and energy consumption. The essence of yarn breakage is that when the strength of the yarn in the spinning section between the roller and the guide hook is less than the tension borne by the spinning section, it occurs. Therefore, to reduce yarn breakage, it is necessary to stabilize the spinning tension.

 

The Application of Soft Starter in Pulping Machine


Spinning breakage is the main hazard in spinning production

 

1. Affects the output of spinning machines and reduces production efficiency.

2. Increases the labor intensity of car blockers.

3. Easily causes an increase in fabric defects, leading to significant quality fluctuations.

4. Increases the consumption of flowers, silk, and machine materials.

5. Breakage is currently an obstacle to the development of high yield, high quality, low consumption, and large roll packaging in fine yarn production.

6. The impact of ingot speed. As the spindle speed increases, the breakage after yarn formation increases.

 


 

Transformation of Spinning Machine Frequency Converter

 

The main advantage of the frequency conversion transformation application of the spinning machine is that it can achieve automatic step-less speed change based on the tension variation law of the large, medium, and small yarn of the yarn drop, optimize the spinning conditions, and maintain the tension stability of each stage of the spinning as much as possible. It will play a positive role in further reducing head breakage, reducing hairiness, achieving high-quality and high yield, reducing energy consumption, and reducing the labor intensity of lathe workers.

After installing LCGK's LC610 series frequency converter on the spinning machine, the speed should be reduced by 5% to 8% for small and large yarns (in order to reduce breakage rate), and the speed should be increased by 5% to 15% according to the condition of the vehicle during the middle yarn process. The length of the middle yarn accounts for 80% of the entire length of the fine yarn, which means the overall spinning speed has been increased by nearly 10%, greatly improving the effective operating time of the spindle, improving the production efficiency of the spinning machine, and increasing the output by nearly 10%. The breakage rate during yarn shedding is reduced, and due to the reduction of breakage, the blocking workers can use the saved time for cleaning work, reducing many sudden yarn defects and ensuring yarn quality.

 

The Application of Soft Starter in Pulping Machine

 


 

Advantages of Spinning Machine Frequency Converter Application

 

1. Reduce breakage rate, improve product quality and efficiency

2. For certain difficult varieties such as strong twisted yarn, core spun yarn, hemp cotton yarn, and high-end combed products, selecting the optimal production process through variable speed can greatly increase yield, reduce back joints, reduce back flowers, and correspondingly reduce roller flowers, which saves raw materials for rework costs.

3. By using a frequency converter to control the main motor, the power of the motor can be excavated, and the power factor can be fully utilized and improved to achieve the goal of energy conservation. Without the installation of frequency conversion, the active power of a general spinning machine ranges from 7.3 to 8.1. After the installation of frequency conversion, the active power reaches 9.9 or more, reducing reactive current, line loss, saving electricity, and reducing equipment electricity consumption under the same production capacity.

4. Extend the service life of the machine
The frequency converter has soft start and soft stop functions. Reduce the impact current when the motor starts, reduce the impact on the power grid, reduce mechanical inertia wear, and greatly extend the service life of the motor and mechanical bearings.

5. Reduce maintenance workload
Variable frequency can provide online monitoring of current, voltage, motor speed, feedback information, time, faults, etc. It also has automatic constant voltage control and speed tracking start control to protect the motor and reduce maintenance workload.

 


 

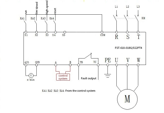
Frequency converter control line

 

The Application of Soft Starter in Pulping Machine

 


 

Conclusion

 

Our company's frequency conversion transformation (application) projects for carding, roving, spinning machines and airflow spinning have been used by multiple textile enterprises. Their obvious energy-saving effects, effective reduction of losses, and reduced maintenance costs have been unanimously praised by textile industry colleagues!

 


×

Contact Us

captcha
×

Inquire

*Name
*Email
Company Name
Tel
*Message