News
Site Editor
Site
https://cdn.b2b.vfdmanufacturer.com/uploads/image/653decbc2fb16.png
An edge banding machine, as the name suggests, is a common piece of equipment used for edge banding in woodworking machinery. Suitable for straight edge sealing and trimming of medium-density fiberboard, blockboard, solid wood board, particle board, polymer door panel, plywood, etc. It can be equipped with double-sided adhesive edge sealing, cutting edge sealing, adhesive pressing, trimming, chamfering, rough trimming, fine trimming, scraping, and polishing functions at once. Due to its delicate edge sealing, lubrication, and good hand feel, the sealing line is flat and lubricated. The equipment operates stably and reliably, making it particularly suitable for manufacturers of panel furniture such as furniture and cabinets.
Application of frequency converter in edge banding machine
Views: 1559
Author: Site Editor
Publish Time: 2023-11-22
Origin: Site
Introduction:
An edge banding machine, as the name suggests, is a common piece of equipment used for edge banding in woodworking machinery. Suitable for straight edge sealing and trimming of medium-density fiberboard, blockboard, solid wood board, particle board, polymer door panel, plywood, etc. It can be equipped with double-sided adhesive edge sealing, cutting edge sealing, adhesive pressing, trimming, chamfering, rough trimming, fine trimming, scraping, and polishing functions at once. Due to its delicate edge sealing, lubrication, and good hand feel, the sealing line is flat and lubricated. The equipment operates stably and reliably, making it particularly suitable for manufacturers of panel furniture such as furniture and cabinets.
On-site application of frequency converter on edge banding machine
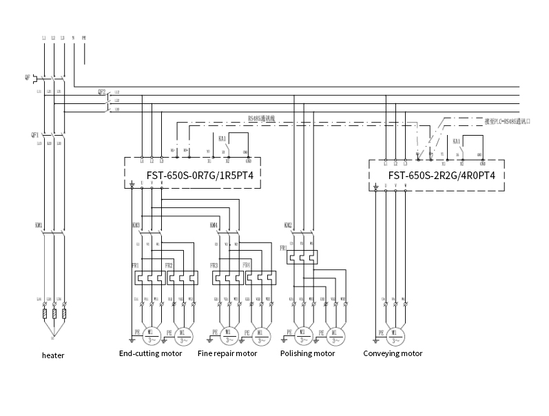
This time, LCGK's PLC, HMI touch screen, and LC650S series frequency converter were selected. By using sensors to detect the workpiece workstation, the edge banding machine can complete edge banding processes such as conveying, gluing, cutting, front and back trimming, upper and lower trimming, upper and lower fine trimming, upper and lower scraping, and polishing.
The HMI touchscreen provides a human-computer communication interface, making the entire process flow clear at a glance and visualizing peripheral circuit faults.
Advantages
(1) Realize fully automatic edge sealing, saving manpower and material resources;
(2) High edge sealing efficiency, stable edge sealing effect, improving work efficiency and product quality;
(3) The touchscreen interface design is simple and easy for operators to operate;
(4) PLC, touch screen, and frequency converter are all LCGK products, which effectively reduce procurement costs and reduce the difficulty of equipment maintenance.
Scheme system diagram
Conclusion
LCGK has a high-quality technical support team, providing customers with a continuous stream of professional technical services to ensure stable equipment operation, with the aim of customer satisfaction.